
.png)


| T | L1 | L | D | SIZE |
| 1.65 | 57.2 | 28.6 | 25.4 | "1.0 |
| 1.65 | 84.2 | 42.1 | 38.1 | "1.5 |
| 1.65 | 104.8 | 52.4 | 50.8 | "2.0 |
| 1.65 | 119 | 59.5 | 63.5 | "2.5 |
| 1.65 | 131.8 | 65.9 | 76.2 | "3.0 |
| 2.10 | 174.6 | 87.3 | 101.6 | "4.0 |

| T | L1 | L | D | SIZE |
| 1.65 | 95.2 | 47.6 | 25.4 | "1.0 |
| 1.65 | 114.4 | 57.2 | 38.1 | "1.5 |
| 1.65 | 152.4 | 76.2 | 50.8 | "2.0 |
| 1.65 | 152.4 | 76.2 | 63.5 | "2.5 |
| 1.65 | 165.2 | 82.6 | 76.2 | "3.0 |
| 2.10 | 196.8 | 98.4 | 101.6 | "4.0 |


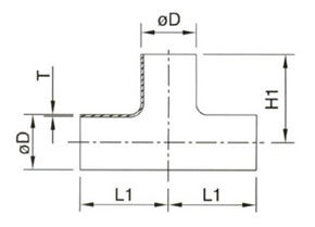
| T | L1 | H1 | H | ØD | SIZE |
| 1.5 | 47 | 47 | 13 | 22 | DN20 |
| 1.5 | 50 | 50 | 15.5 | 28 | DN25 |
| 1.5 | 55 | 55 | 19 | 34 | DN32 |
| 1.5 | 60 | 60 | 22 | 40 | DN40 |
| 1.5 | 70 | 70 | 28.5 | 52 | DN50 |
| 2.0 | 80 | 80 | 39.5 | 70 | DN65 |
| 2.0 | 90 | 90 | 46.5 | 85 | DN80 |
| 2.0 | 150 | 150 | 56 | 101.6 | DN100 |
| 2.0 | 100 | 100 | 58 | 104 | DN100 |

| T | L1 | L | C | B | SIZE |
| 1.65 | 53.98 | 57.15 | 25.4 | 38.1 | 1.5″x1.0″ |
| 1.65 | 60.3 | 76.2 | 25.4 | 50.8 | 2.0″x1.0″ |
| 1.65 | 63.5 | 76.2 | 38.1 | 50.8 | 2.0″x1.5″ |
| 1.65 | 69.85 | 76.2 | 38.1 | 63.5 | 2.5″x1.5″ |
| 1.65 | 82.55 | 76.2 | 50.8 | 63.5 | 2.5″x2.0″ |
| 1.65 | 76.2 | 82.55 | 38.1 | 76.2 | 3.0″x1.5″ |
| 1.65 | 88.9 | 82.55 | 50.8 | 76.2 | 3.0″x2.0″ |
| 1.65 | 82.55 | 82.55 | 63.5 | 76.2 | 3.0″x2.5″ |
| 2.1 | 101.6 | 98.4 | 50.8 | 101.6 | 4.0″x2.0″ |
| 2.1 | 95.25 | 98.4 | 63.5 | 101.6 | 4.0″x2.5″ |
| 2.1 | 95.25 | 98.4 | 76.2 | 101.6 | 4.0″x3.0″ |